
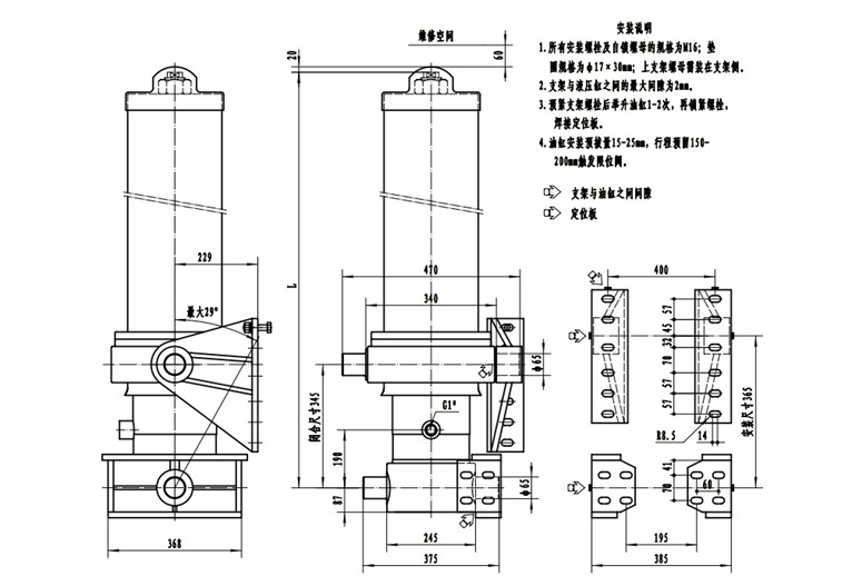
礦用TG140系列
前置頂液壓油缸(帶外套筒)
液壓缸四大優勢:
★更安全
佳恒工程系列油缸采用優異的結構設計和新材料應用,經受最惡劣工況持續穩定工作不脫節,確保駕駛人員和車輛安全,為用戶創造最有價值的安全保證!
★更快的卸貨速度
佳恒工程犀利油缸采用優異的結構設計,提升油缸卸貨速度!
★ 更高的舉升頻次
佳恒工程系列油缸適應于全天候短駁高頻次作業,性能穩定,故障率極低,增加轉運次數,降低停車時間!
★更強的環境適應能力
佳恒工程系列油缸采用創新密封專利技術及新材料應用,可適應-40~110℃溫度范圍,高溫和低溫環境作業可保證極好的使用性能!